<ul id="YhWuf"></ul>

  • <form id="YhWuf"></form>

    <td id="YhWuf"></td>
  • <li id="YhWuf"></li>

      IEC61032 Test Probe 41 BND-41

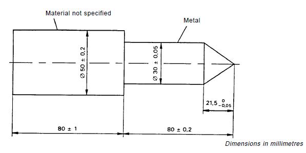
      Product Description:Technical Parameters:1,Test Rod Diameter: 30mm2, Rigid Finger Length:80mm3,Handle Diameter:50mm4,Handle Length:80mm5, According to : IEC61032:1997 Figure 16
      Description

      Product Description:

      Technical Parameters:

      1,Test Rod Diameter: 30mm

      2, Rigid Finger Length:80mm

      3,Handle Diameter:50mm

      4,Handle Length:80mm

      5, According to : IEC61032:1997 Figure 16


      Appliance :

      This probe is intended to verify the protection against access to glowing heating elements.


      IEC61032 Test Probe 41-1

      IEC61032 Test Probe 41-2

      fpsuG
      <ul id="YhWuf"></ul>

    1. <form id="YhWuf"></form>

      <td id="YhWuf"></td>
    2. <li id="YhWuf"></li>