<ul id="YhWuf"></ul>

  • <form id="YhWuf"></form>

    <td id="YhWuf"></td>
  • <li id="YhWuf"></li>

      2000W Water-Cooled Laser Power Measurement Sensors

      Product Description:Name:BONAD 2000 W Water-Cooled Laser Power Measurement SensorsType:BND-2000W-D50The BND-2000W-D50 thermopile sensor is a water cooled laser power and energy thermal sensor with a 36 mm aperture. It can measure optical power from 10 to 2000 W . It has the spectrally flat broadband BB coating and covers the spectral range from 266 nm-10.6 um.
      Description

      Product Description:

      Name:BONAD 2000 W Water-Cooled Laser Power Measurement Sensors

      Type:BND-2000W-D50

      The BND-2000W-D50 thermopile sensor is a water cooled laser power and energy thermal sensor with a 36 mm aperture. It can measure optical power from 10 to 2000 W . It has the spectrally flat broadband BB coating and covers the spectral range from 266 nm-10.6 um.


      Features:

      1.Measures laser power continuously, up to 2000W.

      2.Highly linear, does not require sectional calibration.

      3.Excellent absorption capability.

      4.Available with 50mm apertures.

      5.Water cooling feature.

      6.Broadband 266 nm-10.6 umabsorber

      7.Water-cooled for 10 to 2000 W average power measurement


      Product Specifications:

      Model

      BND-2000W-D50    

      Absorption

      90%

      Wavelength Range

      266nm-10.6um

      Power Range

      10W-2000W

      Scale

      Auto

      Aperture

      50mm

      Power Resolution

      0.1W

      Response Time(0-95%)(a)

      <5s

      Calibration Uncertainty

      <3.5%

      Non-linearity

      <±1%

      Accuracy

      ±4%

      Damage Threshold (b)

      1kW/cm2 @2kW

      Cooling

      Water

      Recommended Water Flow Rate

      @Full power (c)

      5L/min

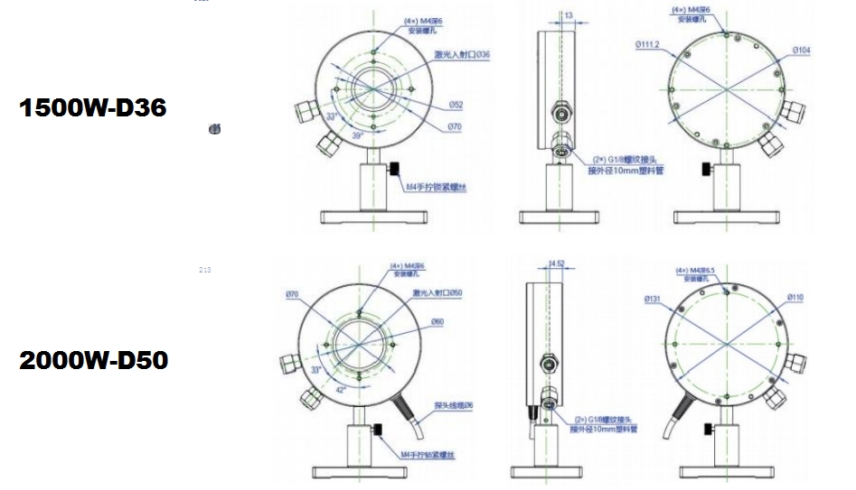
      Dimensions

      Ø 131×39.3mm

      Cable Length

      5m

      Connector Type

      DB15


      Notes:

      (a).Time from zero to 95% of stable value;

      (b).Recommended laser diameter:>25mm@1.5kW;>20mm@2kW;

      (c).Recommended water temperature range:18-30°C; Water temperature change rate:<1℃ /min.


      Dimensions of laser power sensor:

      1.jpg


      uMEhj
      <ul id="YhWuf"></ul>

    1. <form id="YhWuf"></form>

      <td id="YhWuf"></td>
    2. <li id="YhWuf"></li>