概述(shu):YDGZ 系(xi)列液压顶(ding)轨制(zhi)动器主(zhu)要(yao)用于(yu)轨道(dao)式大中(zhong)型起(qi)重(zhong)机及港(gang)口、码(ma)头(tou)等(deng)装(zhuang)卸(xie)机(ji)械工(gong)作和非工(gong)作状(zhuang)态的(de)防(fang)风制动(dong),机械锁(suo)定等作(zuo)用。
使(shi)用条(tiao)件(jian): 环(huan)境(jing)温(wen)度(du): 0℃ - 40 ℃ 。周围(wei)工作(zuo)环(huan)境中(zhong)不(bu)得(de)有(you)易(yi)燃(ran)、易(yi)爆(bao)及腐(fu)蚀性气(qi)体(ti),空(kong)气(qi)相对(dui)湿(shi)度不大(da)于90%。使用(yong)地点(dian)的(de)海(hai)拔高度符合GB755-2000。
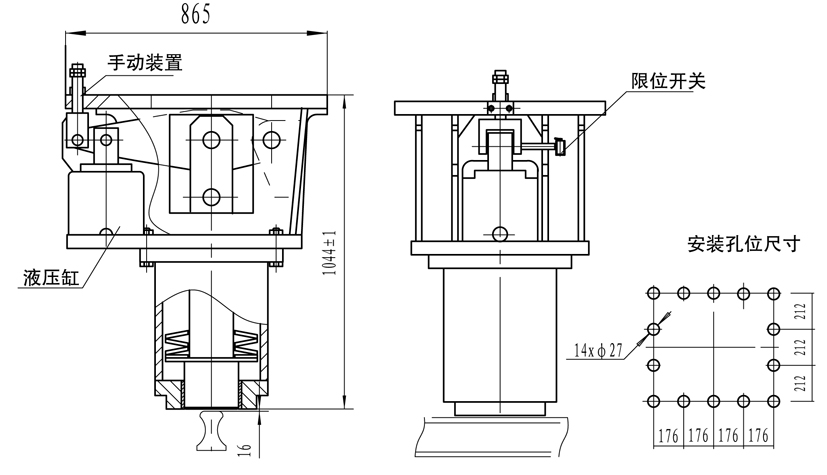
主(zhu)要(yao)设(she)计特(te)点(dian): 常闭式(shi)设(she)计(ji)、采用(yong)液(ye)压站(zhan)集(ji)中驱动控(kong)制(zhi)以特(te)制碟形弹(dan)簧实现顶(ding)轨(gui)制动; 摩(mo)擦块(kuai)采(cai)用(yong)先(xian)进的(de)高(gao)耐(nai)磨钢(gang),性能可靠; 设有(you)限位开(kai)关(guan),显(xian)示(shi)工作状态(tai); 带(dai)手动(dong)释放,安(an)装(zhuang)维(wei)护方(fang)便(bian)。
产品(pin)详(xiang)情(qing)

技术(shu)参(can)数及外形尺(chi)寸表(biao)
型(xing)号(hao) | 额(e)定顶轨力(KN ) | 油缸(gang)工作(zuo)压(ya)力(li)(MPa ) | 顶杆(gan)行(xing)程(cheng)(mm ) | 重(zhong)量(Kg ) |
YDGZ-40 | 400 | 8 | 16 | 1110 |
豫(yu)公(gong)网安备41082302411061号

